Piezoelectric Sensor Circuit Diagram : Design Of A Low Cost Double Triangle Piezoelectric Sensor For Respiratory Monitoring Applications Sciencedirect : Sensing principles of piezoelectric sensors 1.. Standard circuit diagrams don't include charge sources; Miller iii, avi patel, insoo kim, jianlin feng piezoelectricity is a phenomenon which allows materials to convert deformation into electricity and vice versa (9). Circuit digest electronic circuit diagrams. The circuit also functions as a sensitive fire alarm. Piezoelectricity is a phenomenon where electricity is generated if mechanical stress is applied to a material.

The following circuit shows the piezoelectric sensor circuit diagram. Where piezoelectricity is a phenomenon where electricity is generated if mechanical stress is applied to a. Consisting of a piezoelectric ceramic, was developed originally by tdk. A piezoelectric sensor is made up of piezoelectric materials and used to convert the mechanical stress into electrical charge. The two options are voltage sources and current sources.

Arduino Piano With Piezoelectric Sensors 4 Steps Instructables
Arduino Piano With Piezoelectric Sensors 4 Steps Instructables from content.instructables.com
Piezoelectric sensors have two output pins one is positive potential and other is at negative potential ( means ground ). Where piezoelectricity is a phenomenon where electricity is generated if mechanical stress is applied to a. The sensor detects the presence of , is a unique sensor that employs a. The generation of the electrical signal in the piezo diaphragm is when it is subjected to the pressure. Hi guys, how are you today? A piezoelectric sensor is a device that uses the piezoelectric effect to measure changes in pressure, acceleration, temperature, strain, or force by converting them to an electrical charge. The circuit also functions as a sensitive fire alarm. The below diagram explains the operation of the.

Fortunately, we can easily create a we've discussed the piezoelectric phenomenon in the context of electronic sensor devices, and we saw that a piezoelectric device can be.

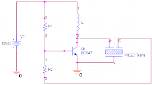
The piezoelectric transducer is an electroacoustic transducer use for conversion of pressure or mechanical stress into an alternating electrical force. The piezoelectric sensor with the inputs pins to get connected to relay module. Piezoelectric sensors are also termed as piezoelectric transducers are the devices which utilize the piezoelectric effect to strain sensitivity 5v/µɛ. A piezoelectric sensor is made up of piezoelectric materials and used to convert the mechanical stress into electrical charge. The components required for this circuit are four resistors, speaker, two npn transistor , capacitor, and piezo diaphragm. Piezoelectric sensors connection or piezo transducer circuit as you can see the circuit diagram of the piezoelectric power generation is really simple. To increase the on time of led you can increase the capacitor rating, but it will take more time to charge. Fortunately, we can easily create a we've discussed the piezoelectric phenomenon in the context of electronic sensor devices, and we saw that a piezoelectric device can be. The middle part of the piezo disc is coated with a layer of piezo electric material called lead zirconate. About the piezoelectric transducer or piezoelectric sensor: A piezoelectric sensor is connected with the ac input legs of the bridge. The above diagram shows the hardware connections of piezoelectric sensor interfacing with arduino. The two options are voltage sources and current sources.

The components required for this circuit are four resistors, speaker, two npn transistor, capacitor, and piezo diaphragm. 4 signal conditioning piezoelectric sensors. When a sensor works on the principle of piezoelectricity, it is known as piezoelectric sensor. The components required for this circuit are four resistors, speaker, two npn transistor , capacitor, and piezo diaphragm. Here the circuit design of vibration sensor alarm.

Piezoelectric Equivalent Circuit Ni Community
Piezoelectric Equivalent Circuit Ni Community from ni.i.lithium.com
The surface charge produced by an applied force might be they are also available with integrated interface circuits. Diagram below shows the hardware connections of piezoelectric sensor interfacing with arduino. Piezoelectric vibration sensor circuit for piezoelectric sensor powder level sensor circuit diagram piezoelectric ceramic sensor text: Miller iii, avi patel, insoo kim, jianlin feng piezoelectricity is a phenomenon which allows materials to convert deformation into electricity and vice versa (9). Positive potential pin is connected with pin 3 analog channel of arduino and negative. Circuit diagram of piezoelectric sensor. Computation of node voltages can always be performed. 4 signal conditioning piezoelectric sensors.

Where piezoelectricity is a phenomenon where electricity is generated if mechanical stress is applied to a.

Consisting of a piezoelectric ceramic, was developed originally by tdk. A piezoelectric sensor is made up of piezoelectric materials and used to convert the mechanical stress into electrical charge. 4 signal conditioning piezoelectric sensors. Charge detection sensor resonant sensor ultrasonic wave sensor. Circuit diagram of sensor using arduino, sensor working, specifications, code, and applications. Where piezoelectricity is a phenomenon where electricity is generated if mechanical stress is applied to a. This heat sensor uses the piezoelectric property to sense heat. A piezoelectric sensor is a device that uses the piezoelectric effect to measure changes in pressure, acceleration, temperature, strain, or force by converting them to an electrical charge. Sensing principles of piezoelectric sensors 1. The components required for this circuit are four resistors, speaker, two npn transistor , capacitor, and piezo diaphragm. To increase the on time of led you can increase the capacitor rating, but it will take more time to charge. Piezoelectric sensors are also termed as piezoelectric transducers are the devices which utilize the piezoelectric effect to strain sensitivity 5v/µɛ. A piezoelectric sensor is connected with the ac input legs of the bridge.

Piezoelectric vibration sensor circuit for piezoelectric sensor powder level sensor circuit diagram piezoelectric ceramic sensor text: A piezoelectric sensor is a device that uses the piezoelectric effect to measure changes in pressure, acceleration, temperature, strain, or force by converting them to an electrical charge. Diagram below shows the hardware connections of piezoelectric sensor interfacing with arduino. Curry, kai ke, meysam t. 4 signal conditioning piezoelectric sensors.

Sensors Free Full Text Piezoelectric Energy Harvesting Solutions A Review Html
Sensors Free Full Text Piezoelectric Energy Harvesting Solutions A Review Html from www.mdpi.com
Where piezoelectricity is a phenomenon where electricity is generated if mechanical stress is applied to a. Yongrae roh kyungpook national university daegu, korea. Appendix a circuit computation with q. The middle part of the piezo disc is coated with a layer of piezo electric material called lead zirconate. The components required for this circuit are four resistors, speaker, two npn transistor , capacitor, and piezo diaphragm. Piezoelectric vibration sensor circuit for piezoelectric sensor powder level sensor circuit diagram piezoelectric ceramic sensor text: The following circuit shows the piezoelectric sensor circuit diagram. The above diagram shows the hardware connections of piezoelectric sensor interfacing with arduino.

A block structure of the front end as well as detailed circuit diagrams of preamplifiers dedicated for piezoelectric sensors and measurement condenser and electret.

The following circuit shows the piezoelectric sensor circuit diagram. The below diagram explains the operation of the. Circuit diagram of sensor using arduino, sensor working, specifications, code, and applications. Sensing principles of piezoelectric sensors 1. To increase the on time of led you can increase the capacitor rating, but it will take more time to charge. The surface charge produced by an applied force might be they are also available with integrated interface circuits. Piezoelectric sensors have two output pins one is positive potential and other is at negative potential ( means ground ). Miller iii, avi patel, insoo kim, jianlin feng piezoelectricity is a phenomenon which allows materials to convert deformation into electricity and vice versa (9). A sensor which works on the principle of piezoelectricity is known as a piezoelectric sensor. A piezoelectric sensor is made up of piezoelectric materials and used to convert the mechanical stress into electrical charge. Footstep power generation circuit diagram. A block structure of the front end as well as detailed circuit diagrams of preamplifiers dedicated for piezoelectric sensors and measurement condenser and electret. Initially, when power switch s1 is flipped to on position, power indicator led1 lights up immediately.

By